Каталог
Каталог Написать в WhatsApp
Мотоэкипировка

Компоненты закачки масла 2-Х ТАКТНОГО ПЛМ MERCURY 90 Серийный номер от 0C222000 до 0D283221

Компоненты закачки масла 2-Х ТАКТНОГО ПЛМ MERCURY 90 Серийный номер от 0C222000 до 0D283221 в Москве: актуальный каталог, цены, фото, описание. Купите компоненты закачки масла 2-х тактного плм mercury 90 серийный номер от 0c222000 до 0d283221 в кредит – оформите заявку онлайн за 1 минуту!

Оригинальные запчасти

Артикул НАИМЕНОВАНИЕ Кол-во деталей в узле Примечание Наличие Цена Аналоги Фото
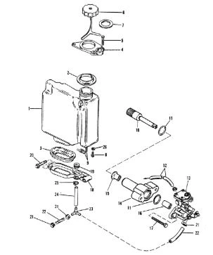
1 8627A7 Маслобак (OIL TANK)

Под заказ

1

Под заказ

уточнить

Купить
2 99160001 BOOT

Под заказ

1

Под заказ

уточнить

Купить
3 99161 BOOT, OIL TANK BASE

Под заказ

1

Под заказ

уточнить

Купить
4 988952 BRACKET-Oil Tank Neck

Под заказ

1

Под заказ

уточнить

Купить
5 4010630 SCREW, (M6 x 30)

Под заказ

2

Под заказ

уточнить

Купить
6 42653A3 CAP ASSEMBLY

Под заказ

1

Под заказ

уточнить

Купить
7 42999T Прокладка (GASKET)

Под заказ

1

Под заказ

уточнить

Купить
8 12896 SCREW, SWITCH

Под заказ

1

Под заказ

уточнить

Купить
9 12886A6 Датчик уровня масла (SWITCH ASSY)

Под заказ

1

Под заказ

уточнить

Купить
10 430204 Шестерня маслонасоса (GEAR-DRIVEN)

Под заказ

1

Под заказ

уточнить

Купить
11 62705 Уплотнительное кольцо (O RING @2)

Под заказ

2

Под заказ

уточнить

Купить
12 82381335 Шланг (TUBING, (15.00 Inches Bulk))

Под заказ

1

Под заказ

уточнить

Купить
13 42959A2 OIL PUMP

Под заказ

1

Под заказ

уточнить

Купить
14 17335A3 ADAPTOR ASSEMBLY

Под заказ

1

Под заказ

уточнить

Купить
15 17597 Втулка (BUSHING)

Под заказ

1

Под заказ

уточнить

Купить
16 17596 Втулка (JOURNAL BUSHING)

Под заказ

1

Под заказ

уточнить

Купить
17 82104540 SCREW-FUEL PUMP (M5 X 40)

Под заказ

2

Под заказ

уточнить

Купить
18 42888 BASE, OIL TANK

Под заказ

1

Под заказ

уточнить

Купить
19 56291 GROMMET

Под заказ

1

Под заказ

уточнить

Купить
20 82155050 SCREW

Под заказ

2

Под заказ

уточнить

Купить
21 82381455 TUBING (11 IN.)

Под заказ

2

Под заказ

уточнить

Купить
22 44456 FITTING, Three Hole

Под заказ

1

Под заказ

уточнить

Купить
23 9004934 TUBING, (14.50 Inches Bulk), Use With Reference Number 25

Под заказ

1

Под заказ

уточнить

Купить
24 814200 CLAMP, Use With Reference Number 25

Под заказ

2

Под заказ

уточнить

Купить
25 56681 Шайба (WASHER, SWITCH BOX ATTACHING SCREW)

Под заказ

1

Под заказ

уточнить

Купить
26 43004A99 Набор прокладок 75/90 дв. блок (GASKET SET)

Под заказ

1

Под заказ

уточнить

Купить

Нулевая цена не означает отсутствие товара. Оформите заказ, и менеджер сообщит вам цену и наличие товара, предварительно запросив их у поставщика

Главная Магазины
Корзина0
Профиль